WP20系列电涡流位移传感器

电涡流位移传感器(以下简称传感器)能测量被测体(必须是金属导体)与探头端面的相对位置。由于其非接触测量、长期工作可靠性高、灵敏度高、抗干扰能力强、响应速度快、不受油水等介质的影响,常被用于对大型旋转机械的轴位移、轴振动、轴转速等参数进行长期实时监测,可以分析出设备的工作状况和故障原因,有效地对设备进行保护及进行预测性维修。可测量位移、振幅、转速、尺寸、厚度、表面不平度等。从转子动力学、轴承学的理论上分析,大型旋转机械的运行状态主要取决于其核心——转轴,而电涡流位移传感器能直接测量转轴的状态,测量结果可靠、可信。

第一节 简介
WP20系列电涡流位移传感器的领先科技:
“线圈最佳温度稳定性参数匹配”技术保证良好的探头温度稳定性;
采用新型PPS工程塑料通过“二次注塑”工艺,保证良好的探头密封性、尺寸稳定性和互换性,工作温度范围扩展到-50℃~+175℃;
“变形联接”工艺组合,更高探头强度、可靠性;
“深度负反馈稳定谐振回路”技术,使前置器稳定性达到(0.05%/℃,0.02%/年);
按美国军用规范设计生产,前置器可在-50~+105℃环境下长期连续工作;
前置器电路采用容错设计,保证任意接线错误不会损坏;
前置器采用最新电子技术,功耗低于12mA;
前置器壳体采用压铸工艺、高频插座内凹及接线端子镶嵌保护、工程塑料隔离绝缘等结构,使前置器更加坚固、安装使用更加方便;
先进的电涡流位移传感器相频特性的测试和控制方法,使JX20系列产品在动态特性方面处于国际领先水平。
应用领域:
正广泛应用于电力、石油化工、冶金等行业的汽轮机、水轮机、发电机、鼓风机、压缩机、齿轮箱等设备的位移、振动、转速、油膜厚度等参数的在线监测与故障诊断。
典型应用示意

技术指标

探头:工作温度-50~ +175°C 温漂≤0.05%/°C
前置器:工作温度-50~ +120°C 温漂≤0.05%/°C
互换性:误差≤5%
频响:0~10kHz;幅频特性1kHz处-1%、10kHz处-5%;相频特性1kHz处-1°、10kHz处-100°
输出特性:
1、负电压输出 供电电源:-18Vdc~ -24Vdc 功耗≤12mA(不含输出电流)
2、4~20mA电流输出 供电电源:+18Vdc~ +30Vdc 功耗≤12mA(不含输出电流)
第二节 探头型号规格


A 探头直径选择

☆ 选择探头直径,应保证其线性量程大于被测体最大移动范围20%以上,除非被测面面积不能满足最小试件尺寸要求或安装空间限制,应该选择较大的线性量程。
B 螺纹规格选择

☆ 螺纹规格允许有其它选择
C 安装方式选择
标准安装

反向安装
(方式一)通常用套筒固定于机器外

(方式二)φ50探头常用方式

电缆侧出
安装轴向空间较小时选用,通常用夹块固定

法兰安装
安装轴向空间较小时选用,用螺栓固定

☆ 除非采用机器外部安装支架安装探头或者安装空间限制,通常选择标准安装类型的探头。
D 无螺纹长选择
以10mm为单位,
最小无螺纹长0mm 0 0,
最大无螺纹长250mm 2 5,
递增量10mm 0 1
☆ 探头的无螺纹部分是为了方便安装:采用螺孔安装时,适当长度的无螺纹部分可以减少需要旋入螺孔的长度。
E 壳体长度选择
以10mm为单位,
最小壳体长度20mm 0 2 ,
最大壳体长度250mm 2 5 ,
递增量10mm 0 1
☆ 探头壳体长度取决于安装位置与被测面的距离。
F 电缆长度选择
0 5 0.5m
1 0 1.0m
5 0 5.0m
9 0 9.0m
☆ 电缆长度选择应考虑被测面与前置器安装位置之间的距离。采用螺孔安装时,建议选择05(0.5m)、10(1.0m),易于保证旋动探头时,探头电缆与探头能一起转动,不易扭断电缆,而且需选用延伸电缆,延伸电缆长度与探头总长之和为5m或9m。在机器内部安装探头,选择探头总长应保证电缆接头能处于机器外部,以防机器内部的机油污染接头。
K 铠装选择
“K”表示电缆带铠装
☆ 如果探头电缆无管道保护,建议选择铠装探头,以使探头电缆不易被损坏。
选型示例
CWY-DO-20T08-M10×1-B-01-05-50
表示:探头直径φ8、壳体螺纹M10×1、标准安装方式、无螺纹长10mm,壳体长度50mm、电缆长度5m、不带铠装。
第三节 前置器型号规格


A 探头直径选择
0 5 配φ5探头,
0 8 配φ8探头,
1 1 配φ11探头,
2 5 配φ25探头,
5 0 配φ50探头;
B 电缆长度选择
5 0 配5m电缆长探头,
9 0 配9m电缆长探头;
C 输出方式选择
V 负电压输出(-18Vdc~ -26Vdc供电),
I 4~20mA电流输出(+18Vdc~ +30Vdc供电)
☆ 前置器出厂时按40CrMo钢校准,如果被测体材料不是40CrMo钢,订货时应说明被测体材料,出厂时则按指定材料校准。
☆ 负电压输出信号与美国本特利·内华达公司BN3300、7200系列及德国PHILIPS产品兼容,4~20mA电流压输出信号便于输入计算机数据采集系统。
造型示例
CWY-DO-20Q08-50V
表示:配φ8、5m长电缆探头,负电压输出(-18Vdc~ -26Vdc供电)。
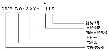
第四节 延伸电缆型号规格

A 电缆长度选择
4 0 4.0m,4 5 4.5m,8 0 8.0m,8 5 8.5m
K 铠装选择
“K”表示电缆带铠装
☆ 作为系统的一个组成部分,延伸电缆用来联接和延长探头与前置器之间的距离,您可以对延伸电缆长度和是否需要带铠装进行选择,选择延伸电缆的长度应该使延伸电缆长度加探头电缆长度同配套前置器所要求的长度一致(5m或9m)。
☆ 如果延伸电缆无管道保护,建议选择铠装,以防电缆容易被损坏。
☆ 探头电缆长度选择为5m或9m时,不需另外配延伸电缆。
选型示例
CWY-DO-20Y-40K
表示:电缆长度4m、带铠装。
