振动速度传感器

概述:
WP60系列振动速度传感器,可用于测量轴承座、机壳或结构的振动。这种传感器测量的振动是相对于自由空间的绝对振动,其输出电压与振动速度成正比,故又称速度式振动传感器。也可以把速度量经过积分转换成位移量再予处理。这种测量可对旋转或往复机械的综合工况进行评价,它直接安装在机器外部,故使用维护极为方便。
工程上最普遍的振动问题,大多数都是由转子引起的,例如:不平衡,不对中,动静磨擦等。而对于有些机械,轴振动被大部(或全部)分传递到轴承座上,在这种情况下,测量轴承座的振动对于机械设备的综合工况,可以提供比较有意义的信息,这些机械包括:
(1)具有滚动轴承的大部分机械;
(2)具有油膜的滑动轴承机械;
在一些特殊条件下,由于某种原因(如安装条件限制以及环境等因素),安装电涡流传感器不可能,对于这种类型的机械若轴的振动能够大部分传到轴承座上,它的振动就可采用安装于轴承座上的速度传感器进行测量。
工作原理:
WP60系列振动速度传感器是属于惯性式传感。是利用磁电感应原理的振动信号变换成电信号。它主要由磁路系统、惯性质量、弹簧阻尼等部分组成。在传感器壳体中刚性地固定有磁铁,惯性质量(线圈组件)用弹簧元件悬挂于壳体上。工作时,将传感器安装在机器上,在机器振动时,在传感器工作频率范围内,线圈与磁铁相对运动,切割磁力线,在线圈内产生感应电压,该电压值正比于振动速度值。与二次仪表相配接,即可显示振动速度或位移量的大小。也可以输送到其它二次仪表或交流电压表进行测量。
传感器的总体设计保证它有如下使用特点:
它的输出信号和振动速度成正比,因此对振动测量来说可以兼顾高频、中频和低频的应用领域,并且符合目前国际标准(ISO)。
1、对旋转机器评定参数的要求。
2、相对于其它类型的振动传感器而言,WP60系列传感器有较低的输出阻抗,较好的信噪比。它同一般通用交流电压表或示波器配合就能工作,对输出插头和电缆也无特殊要求,使用方便。
3、传感器有较低的使用频率可以适用于低转速的旋转机器。
4、传感器设计中取消了有磨擦的活动元件,因此灵活性好,可以测量微小的振动 (0.01μm)。
5、传感器有一定抗横向振动能力。(不大于10g峰值)
技术指标:
1、基本测试条件
温度:20℃±5℃
相对湿度:≤80%
周围无强电磁场干扰
2、频率响应:JX60G:10 Hz~1000 Hz(-3dB)
JX60H、JX60V:5 Hz~1000 Hz(-3dB)
3、灵敏度:20mV/mm/s±5%(在80Hz,速度为10mm/s情况下测定)
4、幅值非线性度:<3%
5、横向灵敏度比:<5%
6、使用温度范围:-30℃~120℃;-30℃~260℃(需特殊订货)
7、最大可测位移:1mm(单峰值)
8、环境条件:防尘、防潮(95%不冷凝)
9、工作方向
规定以传感器安装面在下方时为0°
WP60G:0°±100° (通用型)
WP60H:±90°±2.5°(水平型)
WP60V:0°±2.5° (垂直型)
10、输出电阻:≤600Ω
11、绝缘电阻:>2MΩ
12、输出极性:为浮地输出。当传感器底座受一冲击力时,1#芯输出为(+),2#芯输出为(-接入示波器,1# 接芯极,2#接地,示波器显示第一峰向上。

13、重量:200g
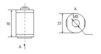
14、安装方式:在底座中心孔用一个M8(或用户指定)螺钉固定
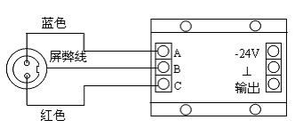
15、与WP60/D前置积分放大器连线图

16、外型尺寸:Φ35×70mm

型号规格:

安装方式附表:

选型示例:WP60H-20-02-00
表示:WP60振动速度传感器,水平方向安装,灵敏度20mV/mm/s,M10×1双头螺栓安装,接头输出,不带电缆铠装。
成套性:
WP60系列传感器: 1只
M8(或用户指定)螺钉: 1个
信号输出插头: 1个
合格证: 1份
可提供的附件:
连接电缆,专用触杆,强磁吸座,如有特殊要求需特殊订货。
