您好!欢迎来到广州上润精密仪器有限公司
设为首页
|
加入收藏
|
联系我们
网站首页
关于我们
产品展示
新闻资讯
工程案例
招贤纳士
在线留言
联系我们
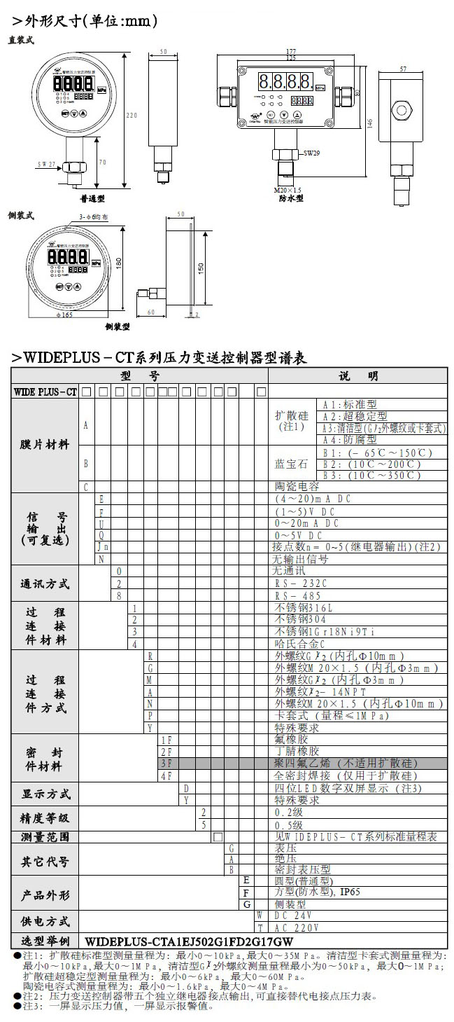
CT系列压力变送控制器
文章来源:handler 时间:2019-01-10 10-29-49
【
打印本页
】【
关闭窗口
】
上一篇:
CTL系列液位变送控制器
下一篇:
DS单路、FYD多路风压测量变送器