您好!欢迎来到广州上润精密仪器有限公司
设为首页
|
加入收藏
|
联系我们
网站首页
关于我们
产品展示
新闻资讯
工程案例
招贤纳士
在线留言
联系我们
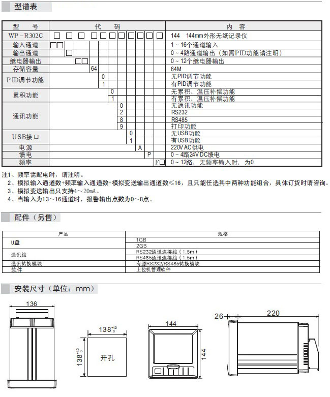
R302C彩屏无纸记录仪
文章来源:handler 时间:2019-01-10 09-57-28
【
打印本页
】【
关闭窗口
】
上一篇:
R301C蓝屏无纸记录仪
下一篇:
R303C中长图无纸记录仪